内页banner

关于我们

当前位置:首页 > 产品中心 > 泛达仪控/PAN-GLOBE > 固态继电器

联系我们Contact Us

南通博爵电气自动化系统有限公司

地址:江苏省南通市崇川区城港路116号兴亿达大厦706室
业务经理:汤经理
手机:15358771150 (微信)
电话:0513-85558330
传真:0513-879077211
E-mail:ntbj@ntbjdq.cn

SSR固态继电器

  • 所属分类:固态继电器
  • 二维码:
  • 发布时间:2023/2/10 16:40:24
  • 产品概述
  • 产品选型
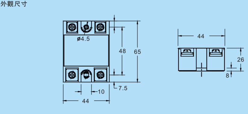
  • 产品尺寸
  • 资质证书
  • 文档下载